Home
About Us
Services
Pages
Projects
FAQs
Our Founder
Our Team
Contact Us
+91 9061 128 806
Know More
Our projects
home
projects
Bangalore Project
Bangalore Project
Edavanna Project
Edavanna Project
Kannur Project
Kannur Project
Kannur Project
Malappuram Project
Malappuram Project
Pune Project
Pune Project
Wayanad Project
Calicut Project
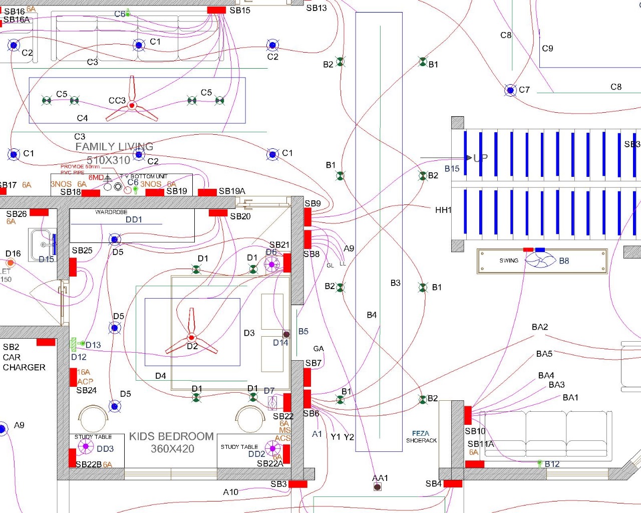
SLD Project
Thamarassery Project